DESCRIPTION
The LSS Series Harmonic Drive Reducer is a high-precision, compact gearbox specifically designed for robot joints, robotic arms, and automation systems. Featuring a coaxial structure and hardened gear surface, it delivers ultra-low backlash, high torque output, and exceptional positioning accuracy.
This harmonic reducer integrates advanced strain wave gearing technology, enabling smooth motion transmission with minimal error. It is widely used in humanoid robots, collaborative robots, and precision industrial equipment where accuracy and reliability are critical.
With its compact design, high torque density, and standardized interface, the LSS series ensures easy integration into various robotic systems.
Learn More About Harmonic Drive Technology
Want to understand how harmonic reducers work and why they are widely used in robotics?
š Read our guide:
What Is a Harmonic Drive and Why Is It Used in Robots?
This article explains the working principle, advantages, and applications of harmonic drive systems in robotic joints and automation.
KEY FEATURES
-
Ultra-low backlash (<10 arcsec) for precision control
-
High torque output for robotic joint applications
-
Compact coaxial structure for space-saving design
-
High efficiency and smooth transmission
-
Hardened gear surface for long service life
-
Standardized interface for easy installation
-
Wide compatibility with stepper motors
-


MODEL OPTIONS & COMPATIBILITY
The LSS Series is available in multiple sizes to match different motor power ranges and applications:
| Model | Motor Power | Stepper Size | Gear Ratio Options |
|---|---|---|---|
| LSS-14 | 50W ā 100W | 42 Stepper | 50:1 / 80:1 / 100:1 |
| LSS-17 | 100W ā 200W | 42 Stepper | 50:1 / 80:1 / 100:1 |
| LSS-20 | 150W ā 200W | 57 Stepper | 50:1 / 80:1 / 100:1 |
| LSS-25 | 200W ā 400W | 57 Stepper | 50:1 / 80:1 / 100:1 |
| LSS-32 | 400W ā 750W | 86 Stepper | 50:1 / 80:1 / 100:1 |
SELECTION GUIDE
-
LSS-14 / LSS-17
Best for small robotic joints and lightweight automation systems -
LSS-20 / LSS-25
Ideal for medium-load robotic arms and industrial applications -
LSS-32
Designed for high-torque systems such as humanoid robots and heavy-duty robotic joints
GEAR RATIO GUIDE
-
50:1 ā Higher speed, lower torque
-
80:1 ā Balanced performance
-
100:1 ā Maximum torque, lower speed
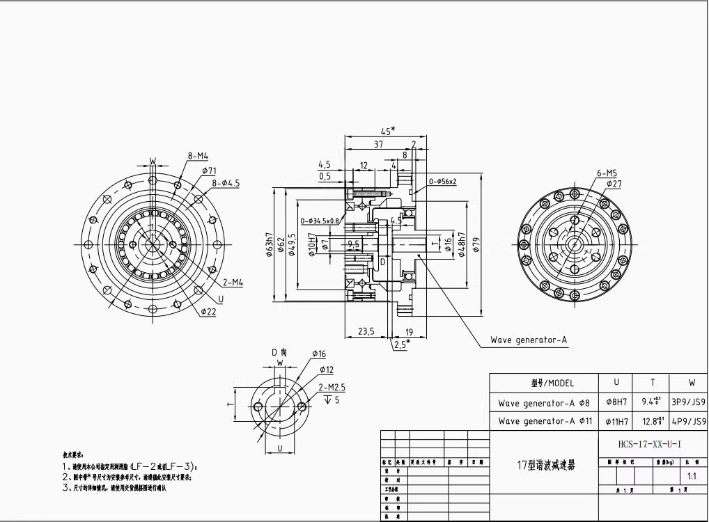
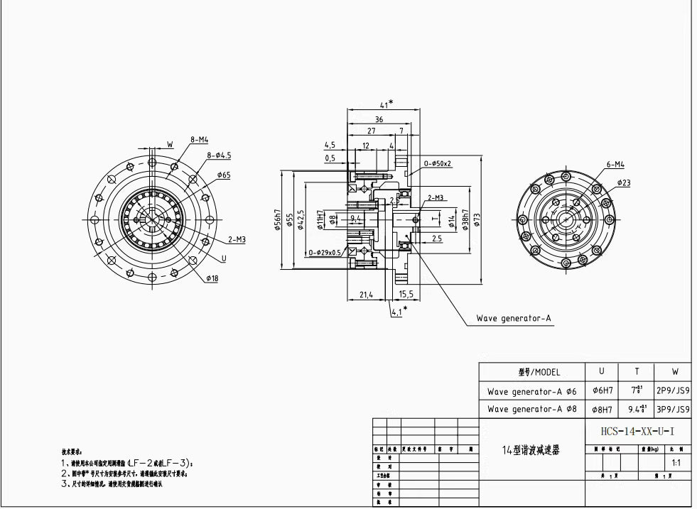
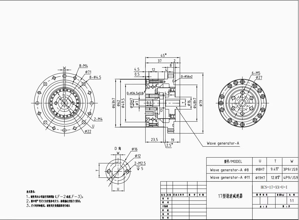
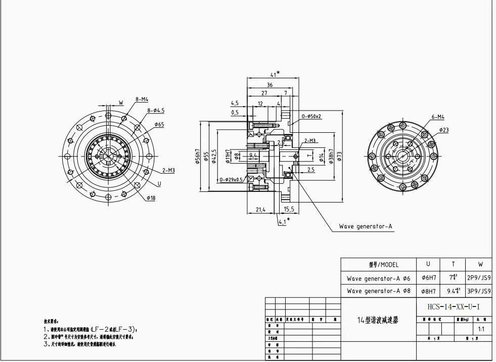
SPECIFICATIONS
| Parameter | Value |
|---|---|
| Series | LSS Harmonic Drive |
| Structure | Coaxial |
| Mounting Type | Vertical |
| Gear Type | Harmonic (Strain Wave) |
| Gear Surface | Hardened |
| Backlash | < 10 arcsec |
| Transmission Error | < 30 arcsec |
| Precision Level | High Precision |
| Origin | China |
| Application | Robot Joints / Automation |
APPLICATIONS
-
Humanoid robot joints
-
Robotic arms and manipulators
-
Collaborative robots (Cobot)
-
Industrial automation systems
-
CNC machinery
-
AI robotics and research platforms
Related Products
Looking for motor solutions to pair with this harmonic reducer?
Explore our gear motor collection:
š High Torque Gear Motors for Robotics
PACKAGE INCLUDES
-
1 Ć Harmonic Drive Reducer (LSS Series)
WHY CHOOSE THIS PRODUCT
-
Designed for high-precision robotics applications
-
Provides better accuracy than traditional gearboxes
-
Compact size with high torque density
-
Reliable performance for long-term operation
-
Easy integration into robotic systems
